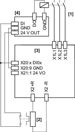
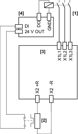
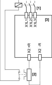
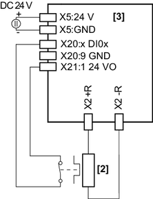
Schutz des Bremswiderstands gegen thermische Überlastung
HINWEIS

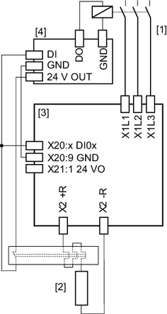
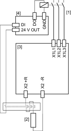
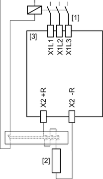
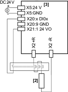
Ein PTC-Bremswiderstand wird bei Überlast hochohmig.
HINWEIS

Widerstände in Flachbauform besitzen einen internen thermischen Schutz (nicht auswechselbare Schmelzsicherung), der den Stromkreis bei Überlast unterbricht. Die Projektierungsvorschriften und die dokumentierten Zuordnungen von Antriebsumrichter und Bremswiderstand sind einzuhalten.
Weiterführende Informationen







