How can we help?

Important topics

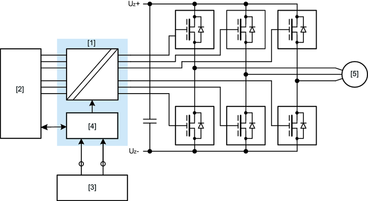
Device structure

  • Type designation

Mechanical installation

  • Installing the drive
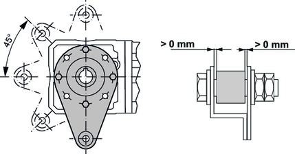
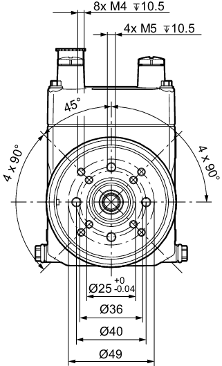
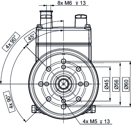
  • Installing the drive unit

Electrical installation

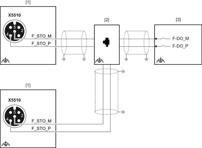
  • Installation instructions
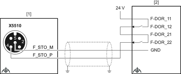
  • Plug connector positions on the DFC..8. interface module.
  • Plug connector positions on the DFC..9. interface module.
  • PC connection

Startup

  • Startup using the CBG21A or CBG22A keypad

Service

  • Failures of the mechanical drive
  • Description of status and operating displays
  • Fault table
  • Device replacement
  • SEW‑EURODRIVE Service
  • Shutdown
  • Extended storage
  • Waste disposal

Inspection and maintenance

  • Inspection and maintenance work

SEW-EURODRIVE GmbH & Co KG

Edition: 07 / 24

© Copyright: 2024

Index

MOVIMOT® Performance ELV

Language

  • Deutsch
  • English
  • Español
  • Brasileiro
  • 汉语
SEW-EURODRIVE LogoSEW-EURODRIVE
  • Home