Technische Daten
Weiterführende Informationen
- Allgemeine Hinweise
- Allgemeine technische Daten MOVIMOT® performance ELV
- Technische Daten – Funktionale Sicherheit
- Umweltbedingungen
- Leistungsmindernde Faktoren
- Digitale Eingänge und Ausgang
- Technische Daten PROFINET-IO-Schnittstelle
- Technische Daten EtherNet/IP™-, Modbus-TCP-Schnittstelle
- Technische Daten EtherCAT®-Schnittstelle
- Technische Daten EtherCAT®-Schnittstelle, Profil CiA402
- Technische Daten Motorgeber
- Technische Daten Bediengeräte CBG..
- Oberflächenschutz
- Raumlagen
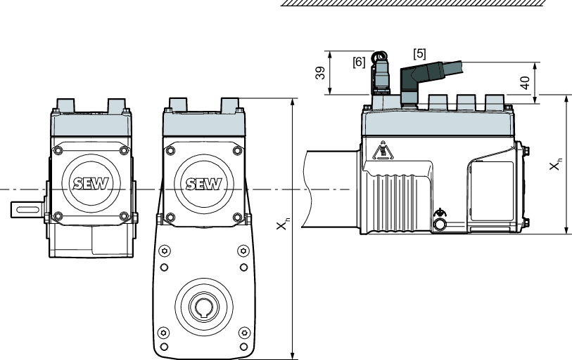
- Maßbilder Antriebseinheit
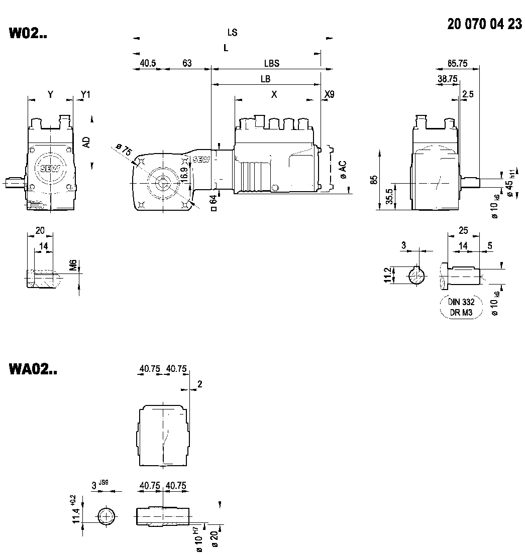
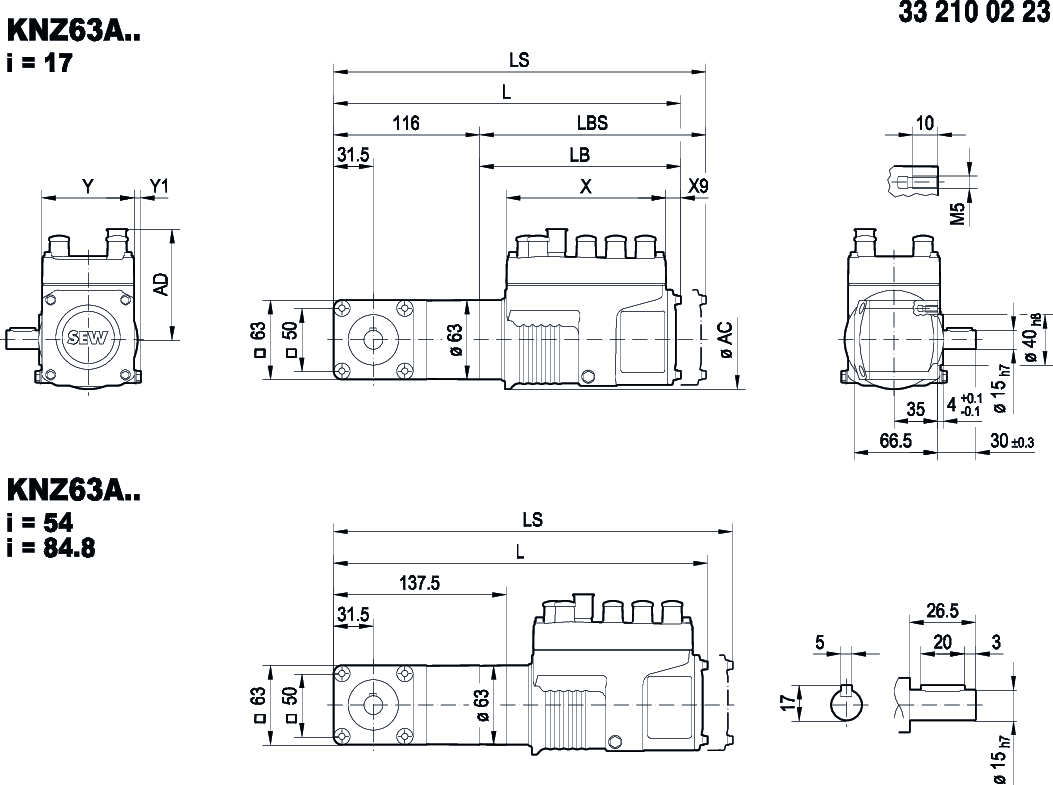
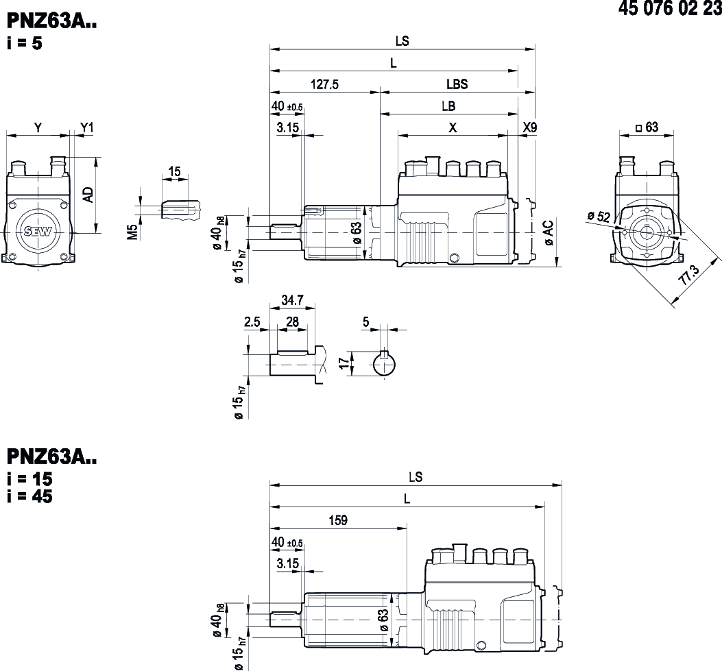
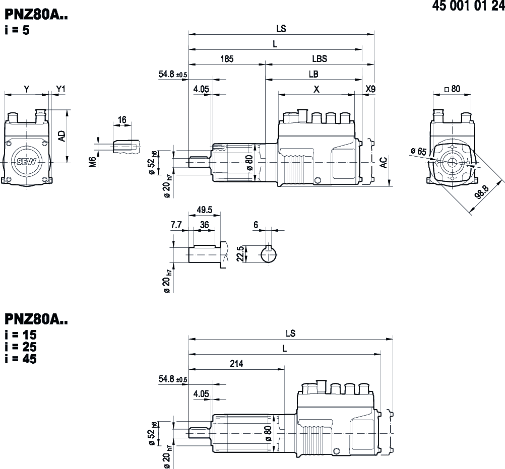
- Maßbilder Getriebemotoren
- Maßbilder Steckverbinder Schnittstellenmodul




























