How can we help?

Important topics

Project planning of the device

  • Drive selection
  • Inverter selection
  • Braking resistor selection

Project planning for functional safety

  • Safety requirements

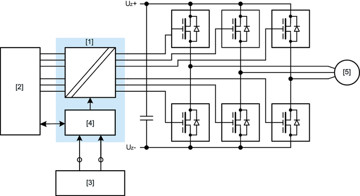
Device structure

  • Inverter
  • Type designation

Mechanical installation

  • Installing the inverter
  • Installing the shield plate
  • Installing braking resistors

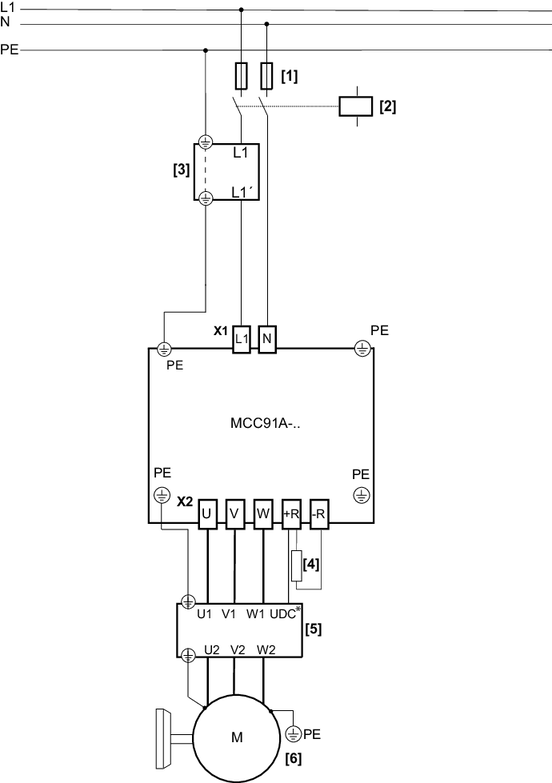
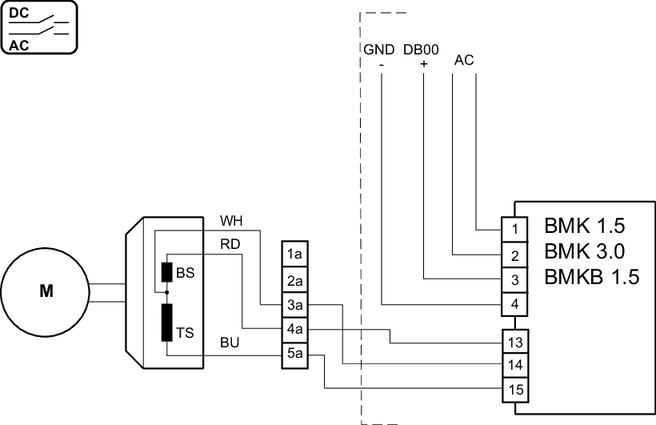
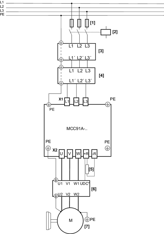
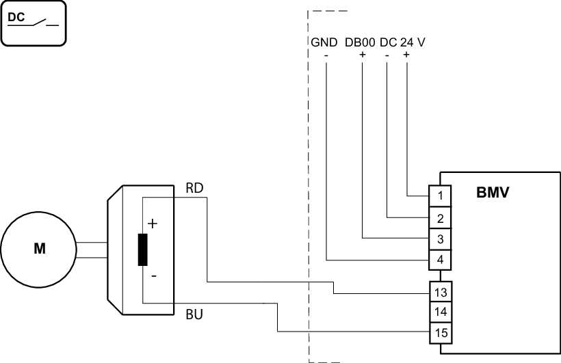
Electrical installation

  • Installation planning considering EMC aspects
  • 24 V supply voltage
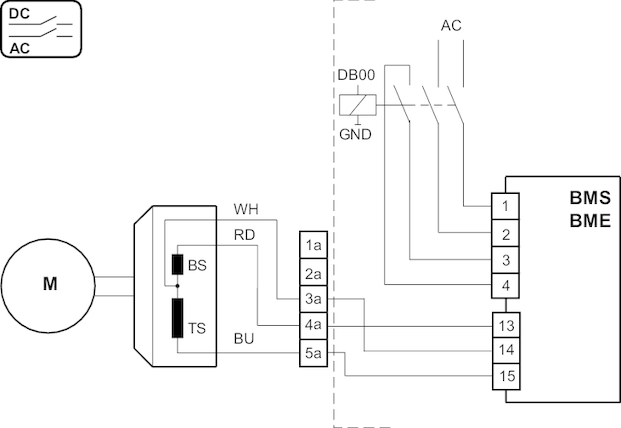
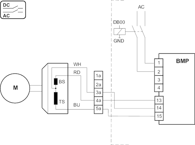
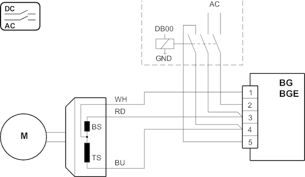
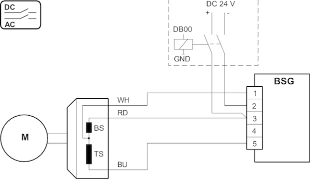
  • Terminal assignment
  • PC connection

Startup

  • Startup with MOVISUITE® engineering software
  • Startup of third-party motors

Service

  • Status and operating displays of the 7-segment display
  • Device replacement

SEW-EURODRIVE GmbH & Co KG

Edition: 10/2024

© Copyright: 2024

Index

MOVITRAC® classic

Language

  • Deutsch
  • English
  • Français
  • Español
  • Brasileiro
  • 汉语
SEW-EURODRIVE LogoSEW-EURODRIVE
  • Home