Como podemos ajudar?

Temas importantes

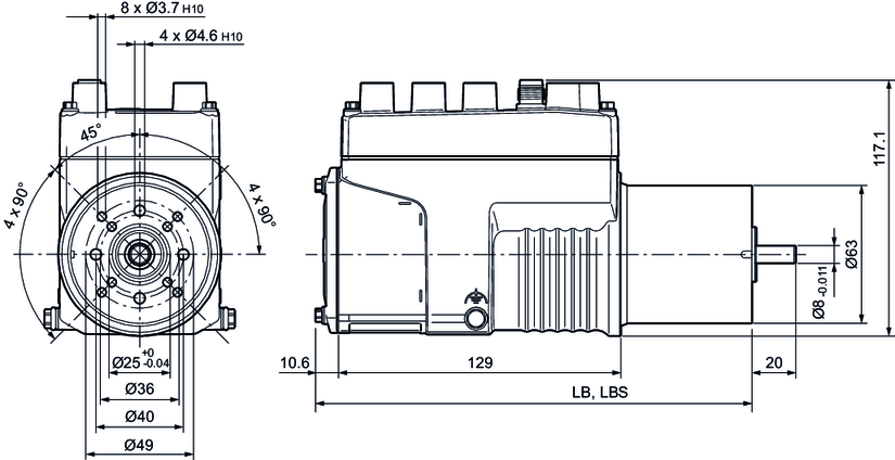
Estrutura da unidade

  • Denominação do tipo

Instalação mecânica

  • Montagem do acionamento
  • Montagem da unidade de acionamento

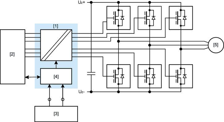
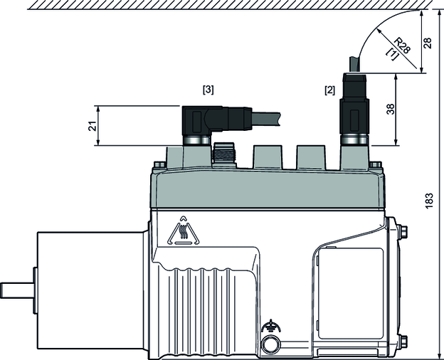
Instalação elétrica

  • Posições do conector no módulo de interface DFC..8.
  • Posições do conector no módulo de interface DFC..9.

Colocação em operação

  • Colocação em operação com painéis de operação CBG21A e CBG22A

SEW Service

  • Falhas no acionamento mecânico
  • Descrição das indicações de estado e de operação
  • Tabela de irregularidades
  • Troca da unidade
  • Colocação fora de operação
  • Descarte de resíduos

Inspeção e manutenção

  • Trabalhos de inspeção e manutenção

SEW-EURODRIVE GmbH & Co KG

Edição: 02 / 24

© Copyright: 2024

Índice remissivo

MOVIMOT® performance ELV

Idioma

  • Deutsch
  • English
  • Brasileiro
  • Español
  • 汉语
  • Français
SEW-EURODRIVE LogoSEW-EURODRIVE
  • Página inicial