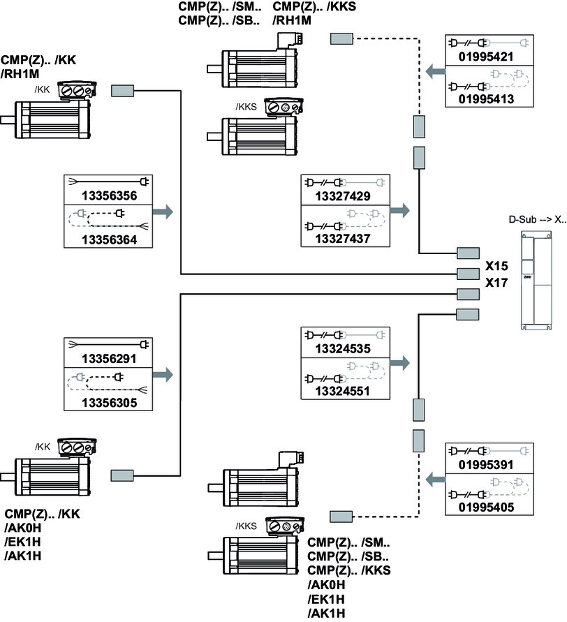
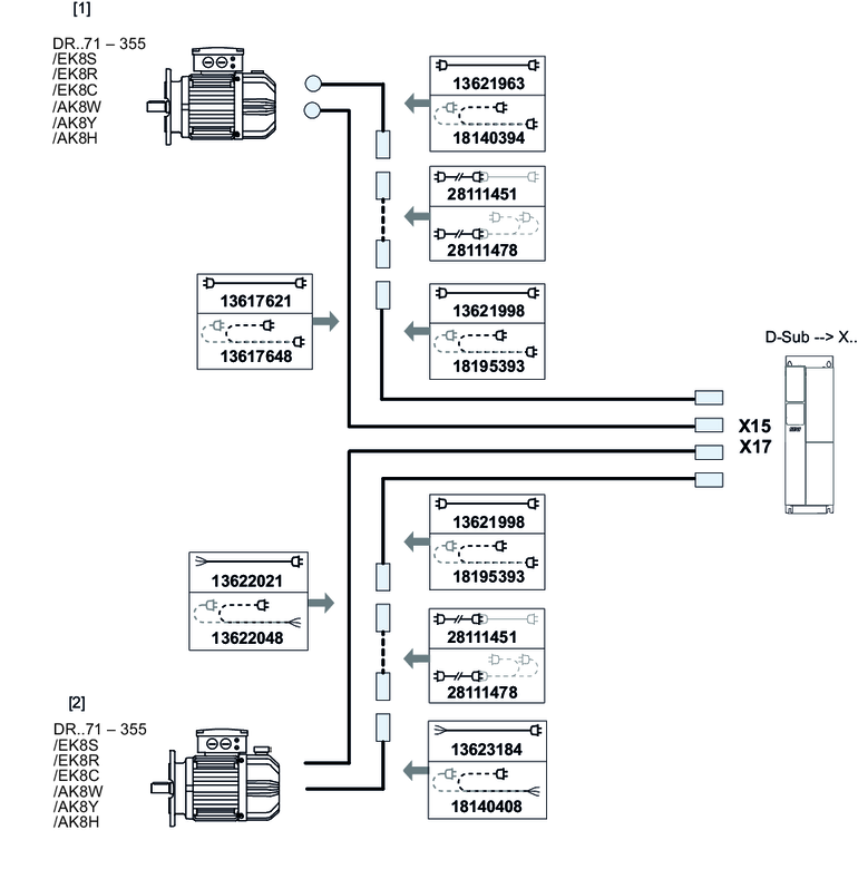
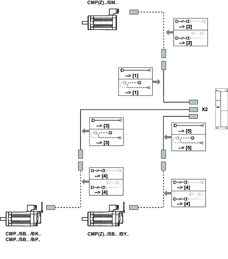
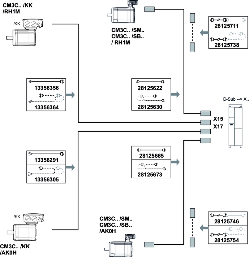
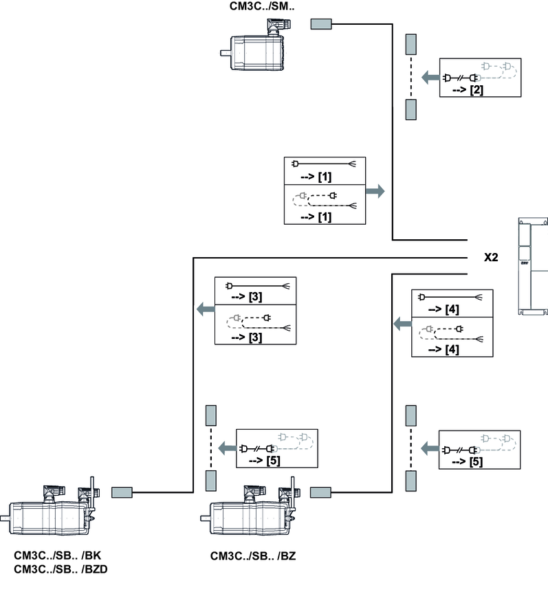
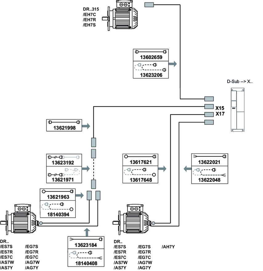
Cabos pré-fabricados

Informações adicionais
  • Significado dos símbolos
  • Cabo de potência
  • Cabo do encoder
  • Cabo para MOVILINK® DDI
  • Cabo do modul bus
  • Cabo de system bus

SEW-EURODRIVE GmbH & Co KG

Edição: 03 / 24

© Copyright: 2024

Índice remissivo

MOVIDRIVE® system

Idioma

  • Deutsch
  • English
  • 汉语
  • Español
  • Brasileiro
  • Français
  • Русский
SEW-EURODRIVE LogoSEW-EURODRIVE
  • Página inicial
  • Cabos pré-fabricados