Maßblätter

Weiterführende Informationen
  • Hinweise zu den Maßblättern
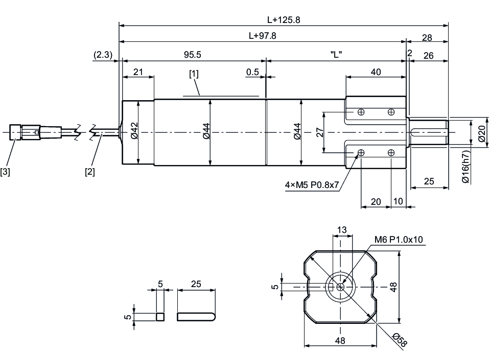
  • Maßblätter Rollenantrieb ECR
  • Maßblatt Getriebemotor ECG-A2M / ECG-A4M
  • Maßblatt Getriebemotor ECG-I
  • Maßblätter Steuerungen

SEW-EURODRIVE GmbH & Co KG

Ausgabe: 10/2024

© Copyright: 2024

Stichwortverzeichnis

Rollenantrieb ECR, Getriebemotor ECG, Feldbussteuerung ECC

Sprache

  • Deutsch
  • English
SEW-EURODRIVE LogoSEW-EURODRIVE
  • Home
  • Technische Daten
  • Maßblätter