Elektrische Installation – Funktionale Sicherheit

Weiterführende Informationen
  • Installationsvorschriften
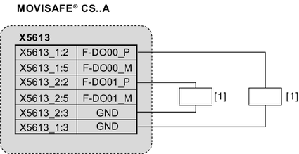
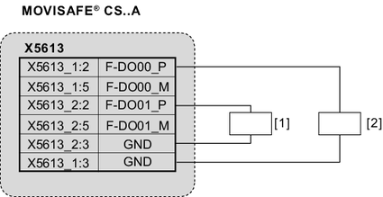
  • Anschlussbeispiele sichere Digitaleingänge (F-DI..)
  • Anschlussbeispiele sichere Digitalausgänge
  • Einbaugeber EI7C FS
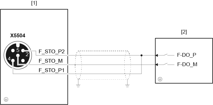
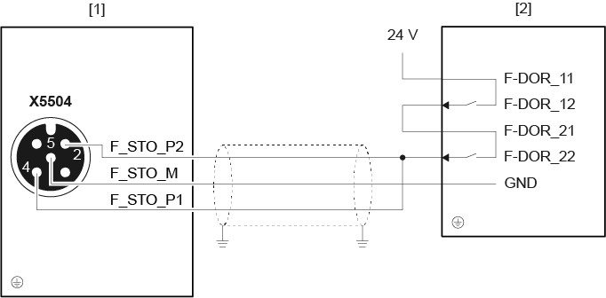
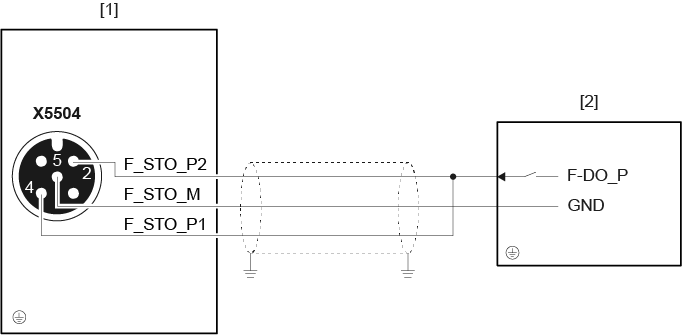
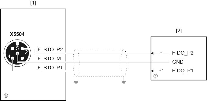
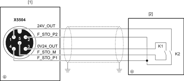
  • Anschlussvarianten der Sicherheits-Teilfunktion STO

SEW-EURODRIVE GmbH & Co KG

Ausgabe: 01 / 24

© Copyright: 2024

Stichwortverzeichnis

MOVIPRO® technology DSI

Sprache

  • Deutsch
SEW-EURODRIVE LogoSEW-EURODRIVE
  • Home
  • Elektrische Installation
  • Elektrische Installation – Funktionale Sicherheit