Electrical installation
Additional information
- Installation planning taking EMC aspects into account
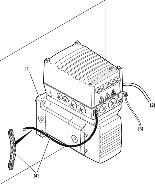
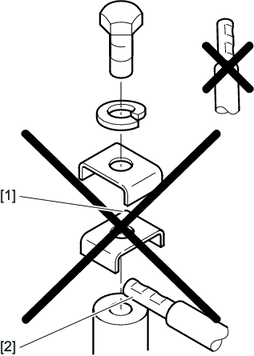
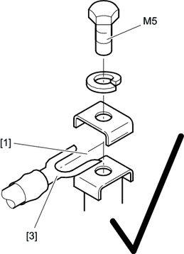
- Equipotential bonding at the connection box
- Installation instructions
- Installation topologies
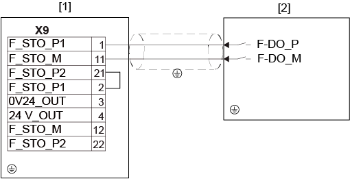
- MOVIMOT® performance DSI terminal assignment
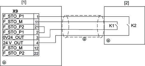
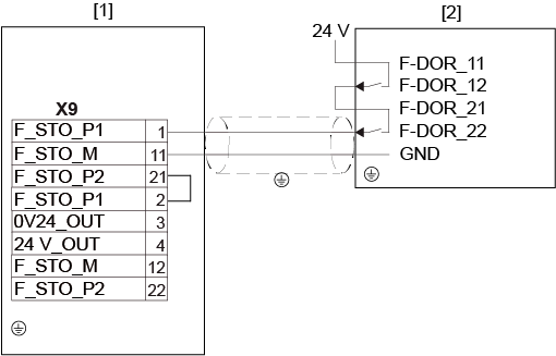
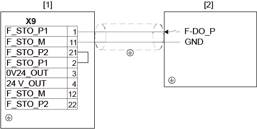
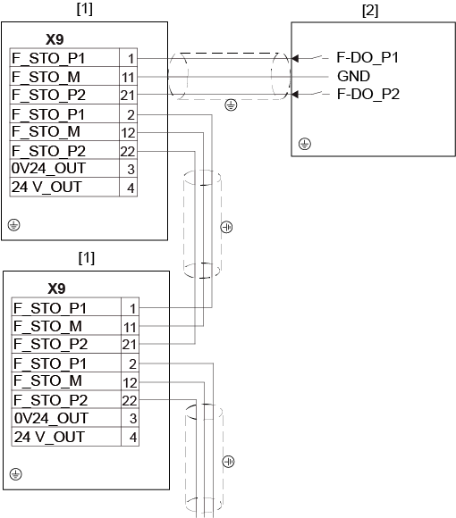
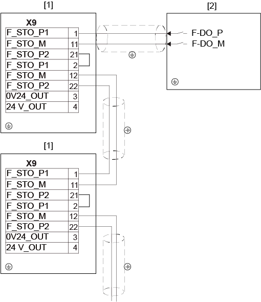
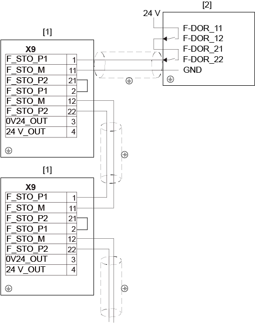
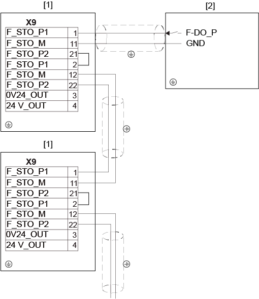
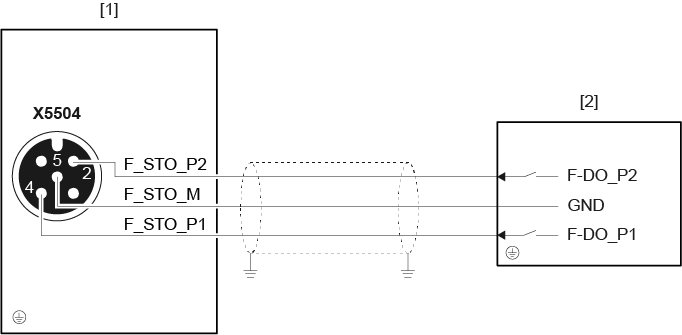
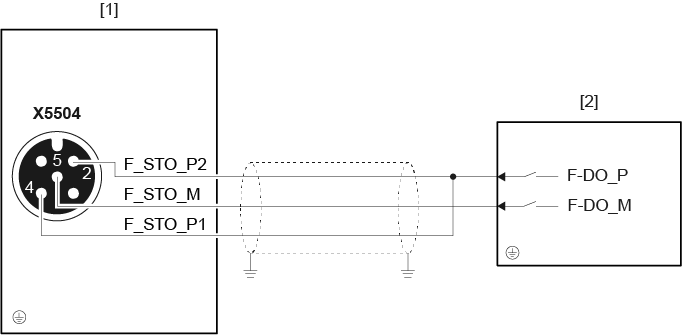
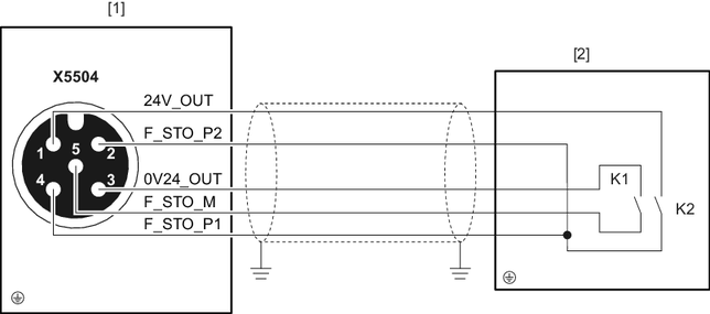
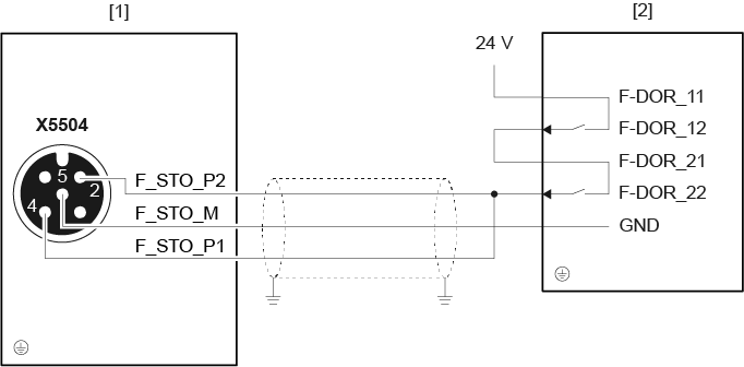
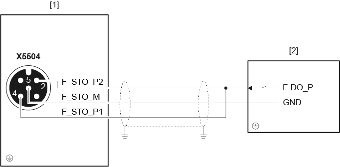
- Electrical installation – functional safety
- MOVIMOT® performance DSI connection diagram
- Cable routing and cable shielding
- EMC cable glands
- Bulk cable
- Plug connectors
- Optional plug connector assignment
- Assignment of the plug connectors at the connection unit
- Plug connector assignment at the electronics cover
- PC connection

















































































