¿Cómo podemos ayudarle?
Temas importantes
Planificación de proyecto de seguridad funcional
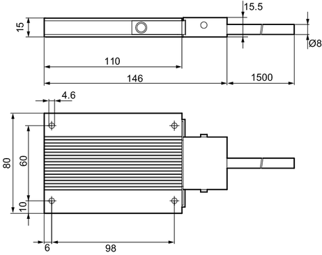
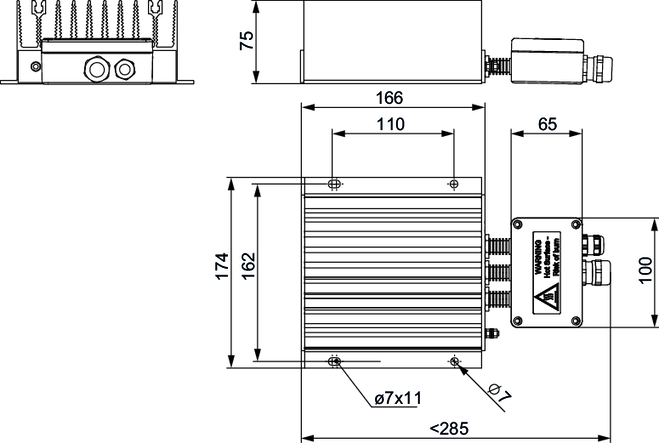
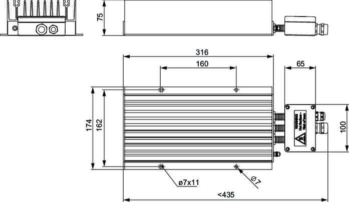
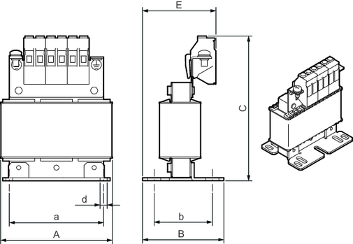
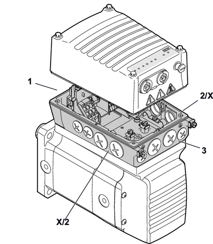
Estructura de la unidad
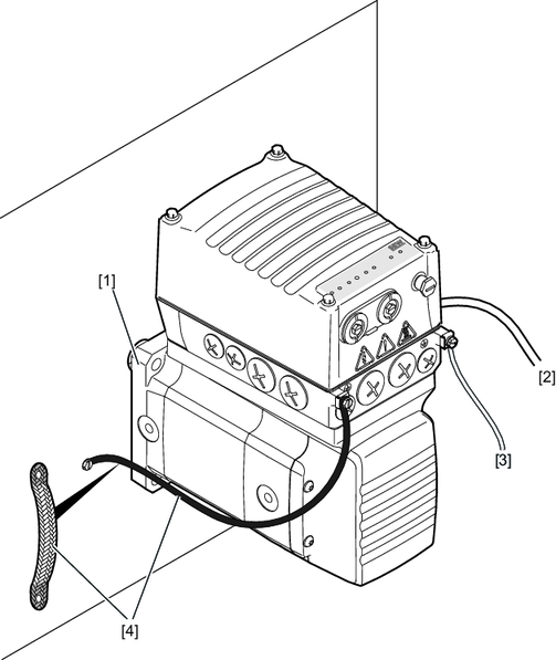
Instalación eléctrica
- Planificación de la instalación en función de la compatibilidad electromagnética
- Conexión equipotencial
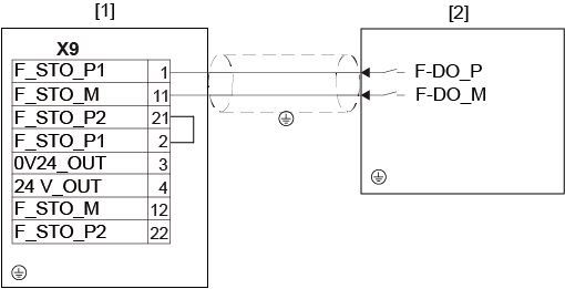
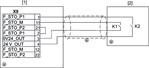
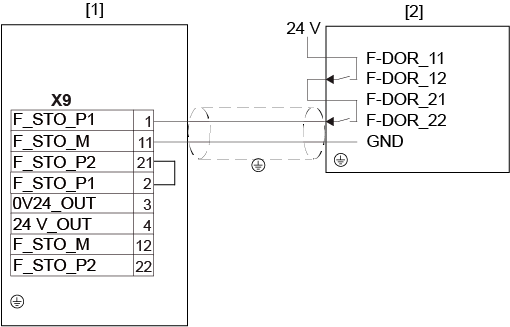
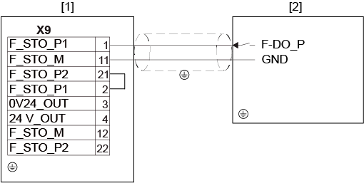
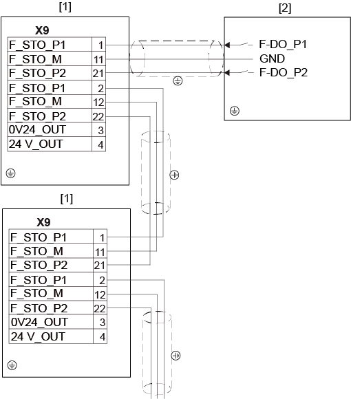
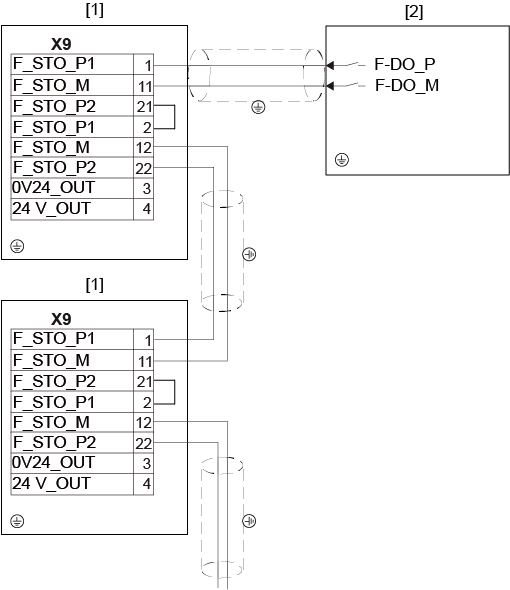
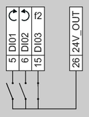
- Asignación de bornas de MOVIMOT® performance DBC
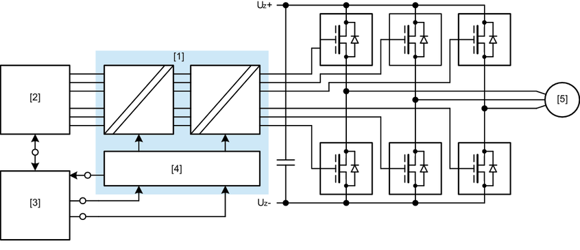
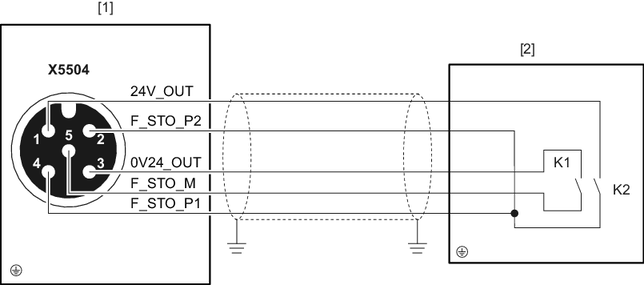
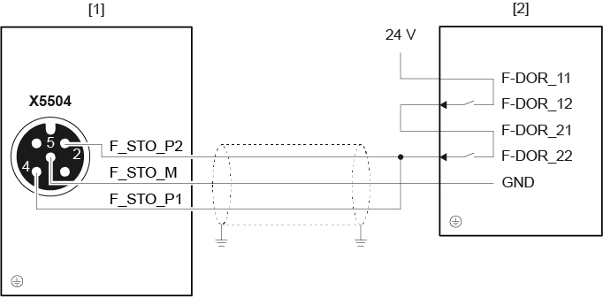
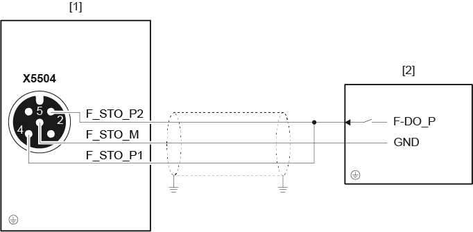
- Esquema de conexiones de MOVIMOT® performance DBC
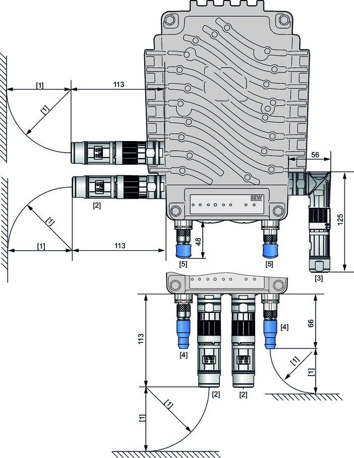
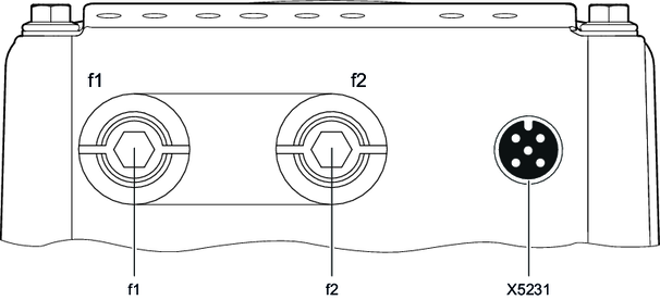
- Posiciones de conectores de la unidad de accionamiento MOVIMOT® performance DBC tamaño 1
- Posiciones de los conectores enchufables de tapa de la electrónica DBC..
- Conexión PC







































































































































































































































































































































