¿Cómo podemos ayudarle?
Temas importantes
Nuevas funciones

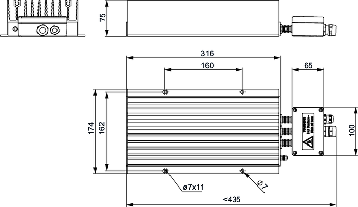
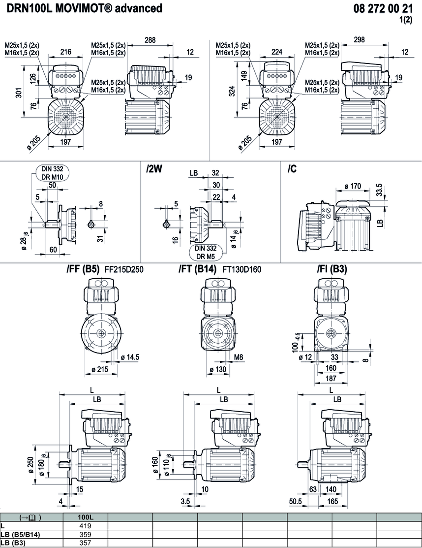
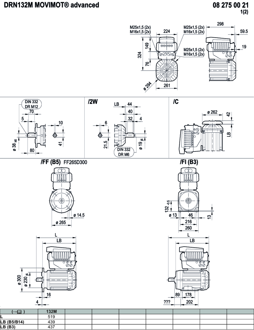
Motor, tapa de la electrónica (clase de velocidad 2000 minˉ¹), tamaño 2
Más información...
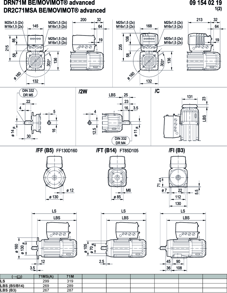
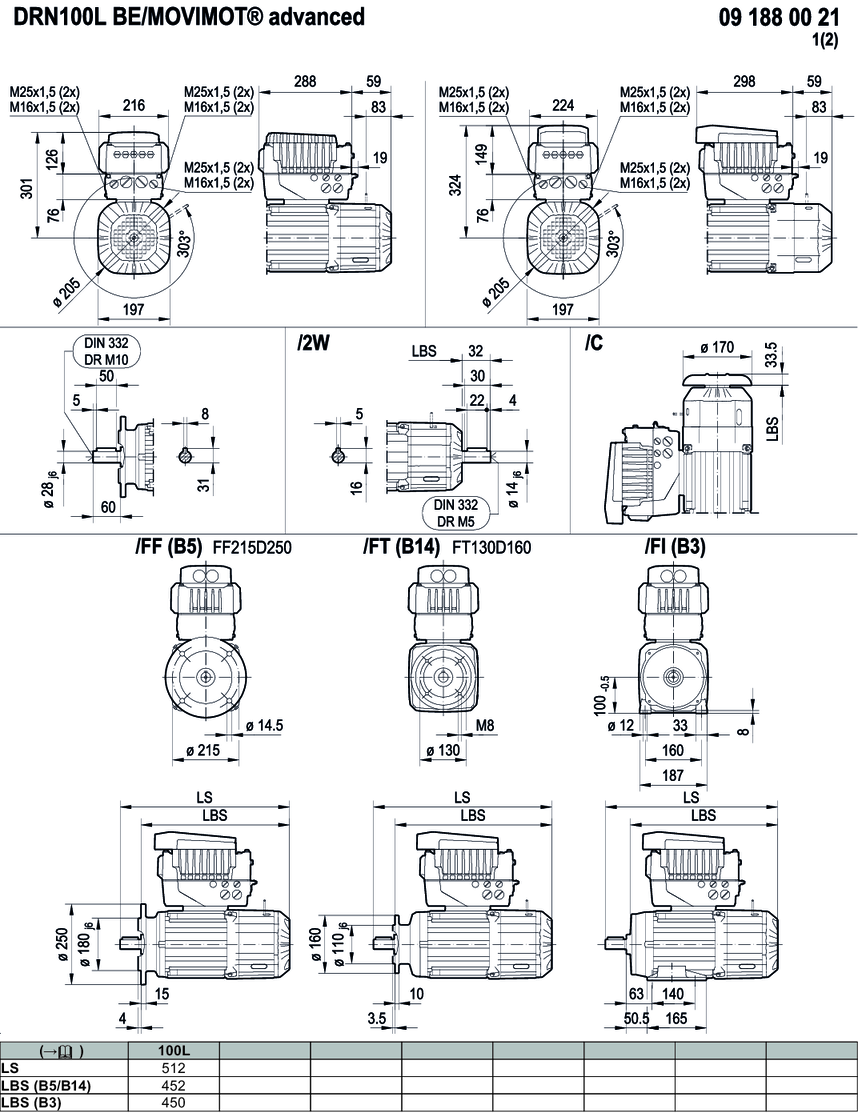
Motor, tapa de la electrónica (clase de velocidad 3000 minˉ¹), tamaño 2
Más información...
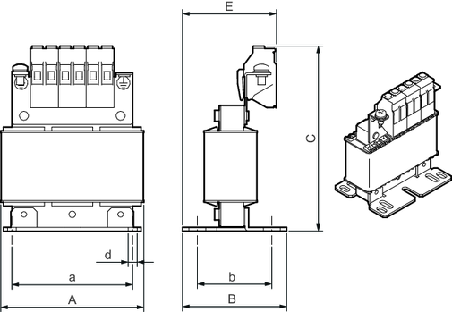
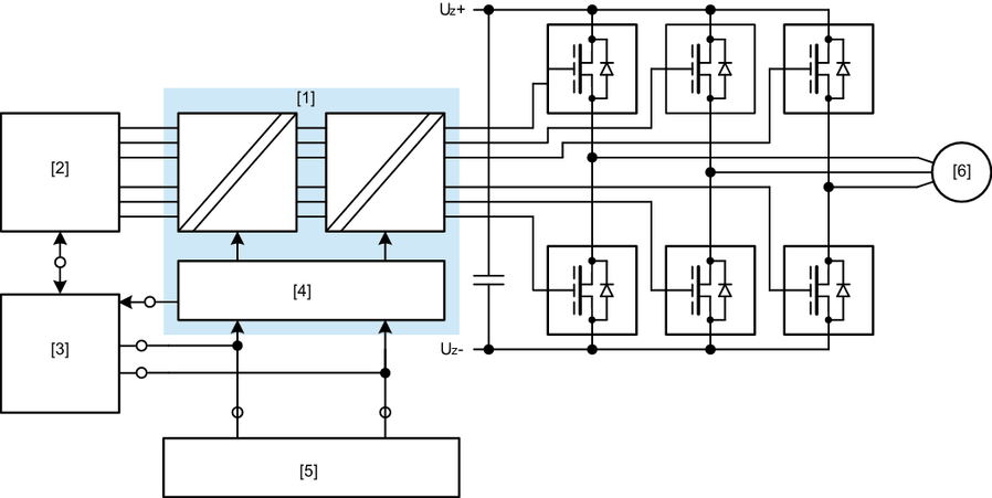
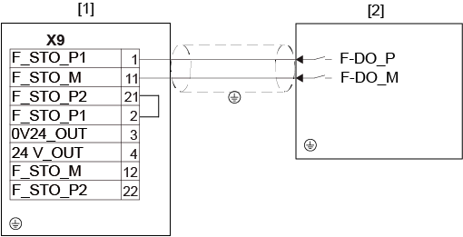
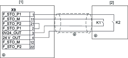
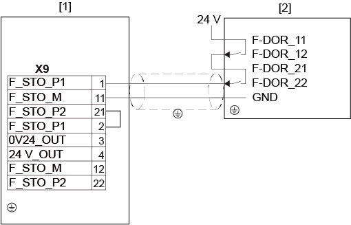
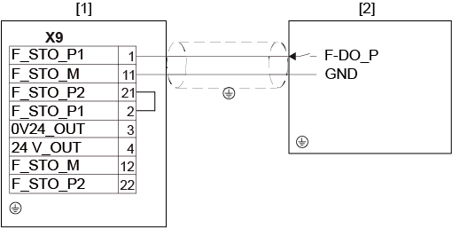
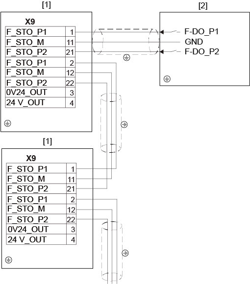
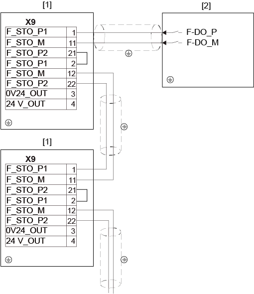
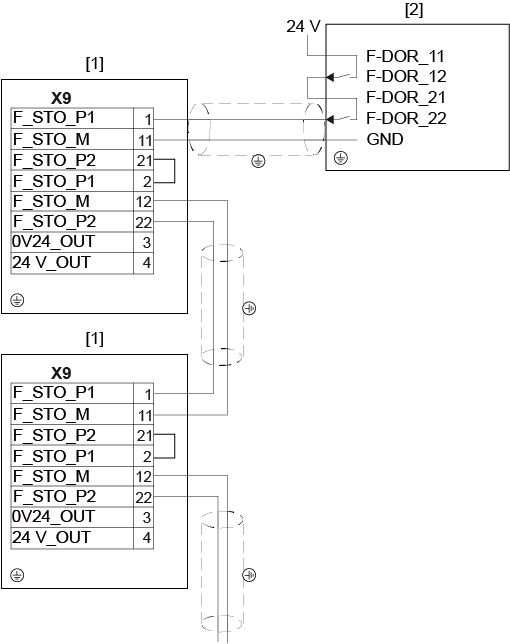
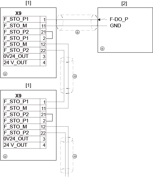
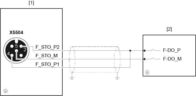
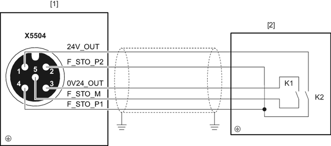
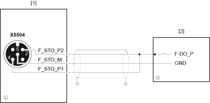
Parámetros de seguridad MOVISAFE® CSS51A
Más información...










































































































































































































































































































































































































