How can we help?
Important topics
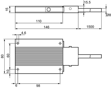
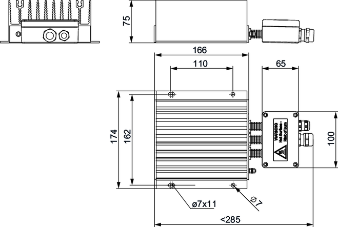
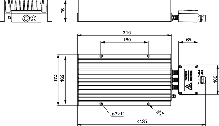
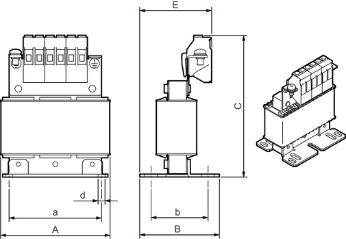
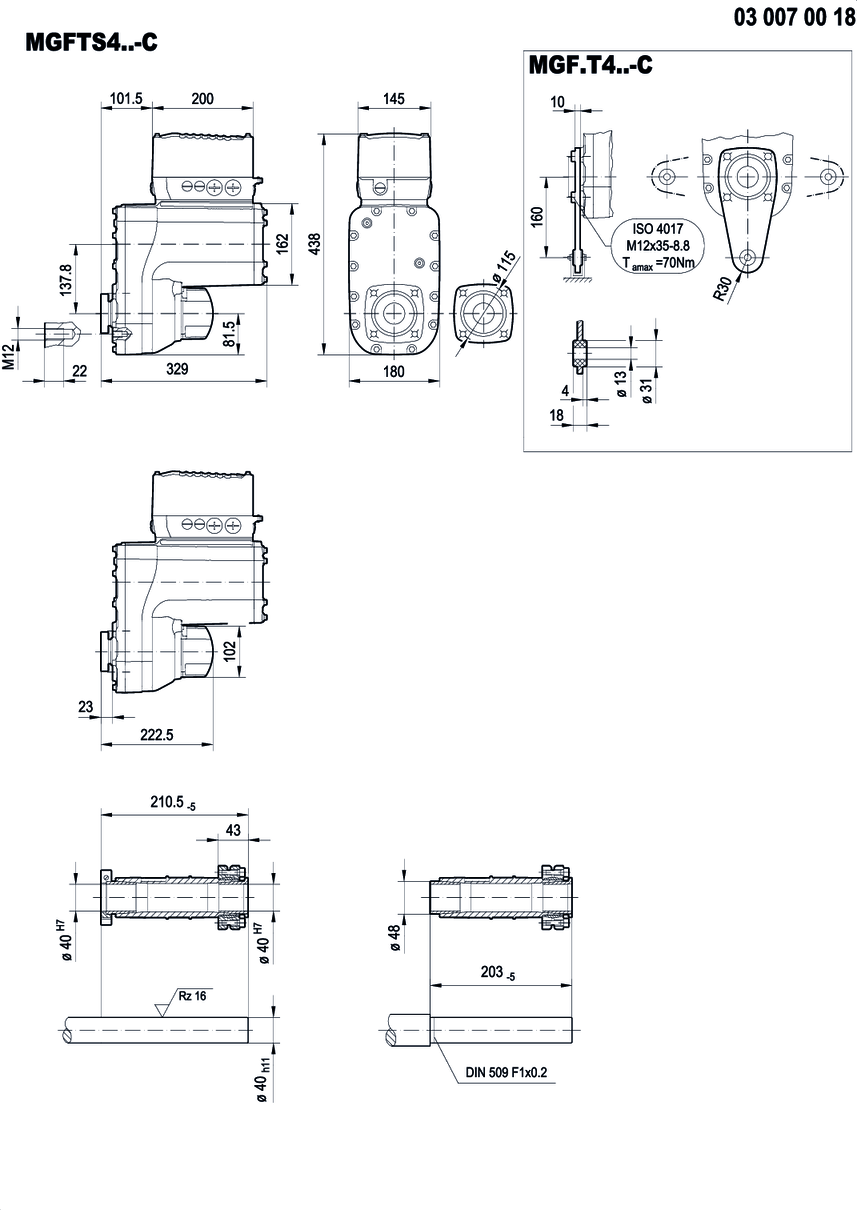
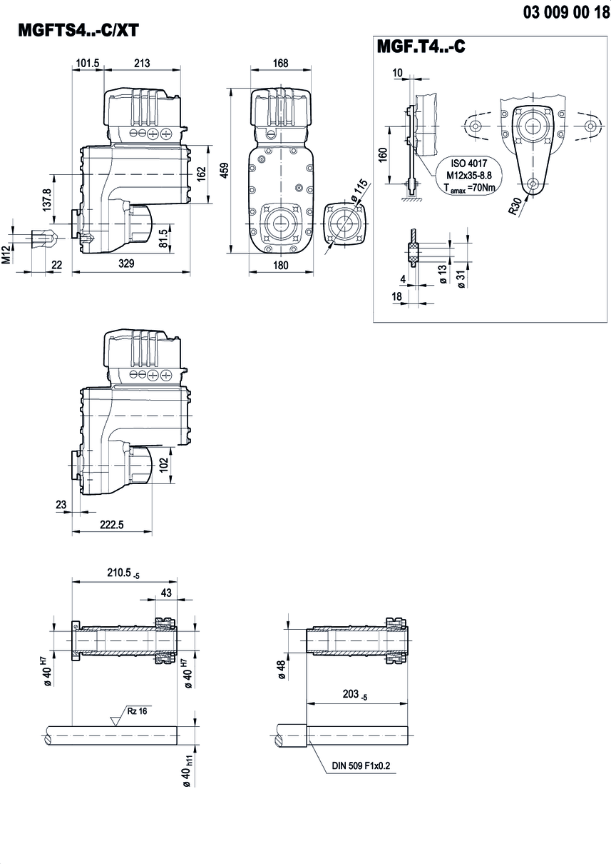
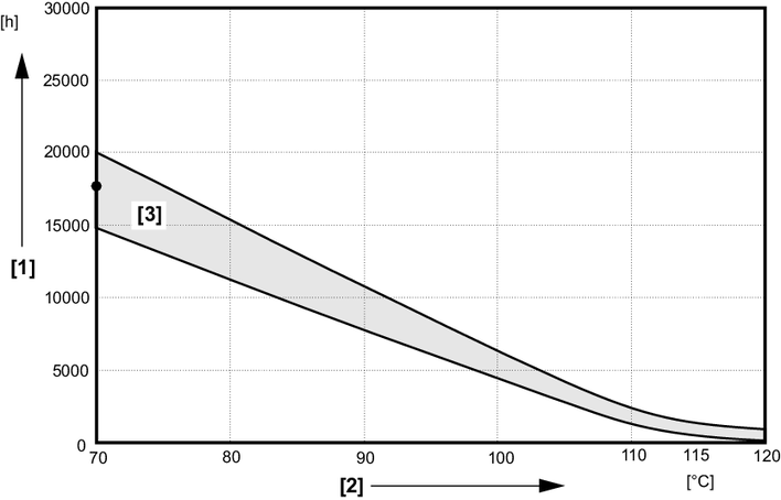
Technical data
Project planning for functional safety
Device structure
Mechanical installation
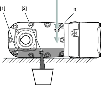
- Gear unit venting
- Shaft-mounted gear unit with keyway
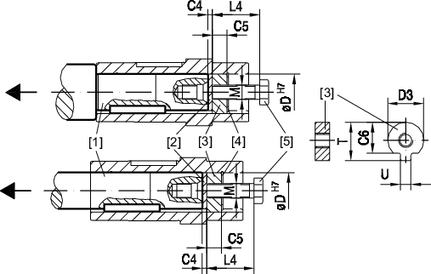
- Shaft-mounted gear unit with TorqLOC® (customer shaft without contact shoulder)
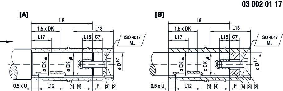
- Shaft-mounted gear unit with TorqLOC® (customer shaft with contact shoulder)
- Shaft-mounted gear unit with TorqLOC® – disassembly, cleaning, lubrication
- Installing the protective cover
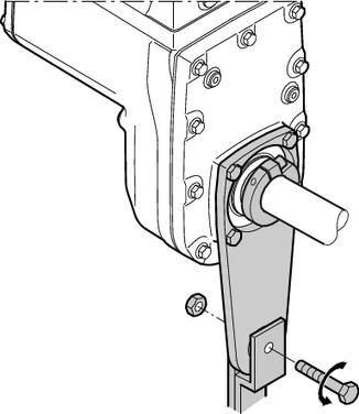
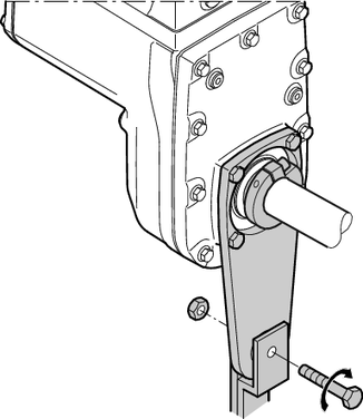
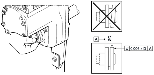
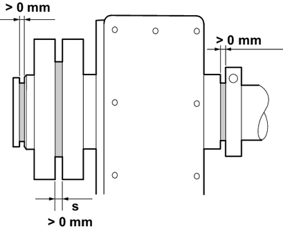
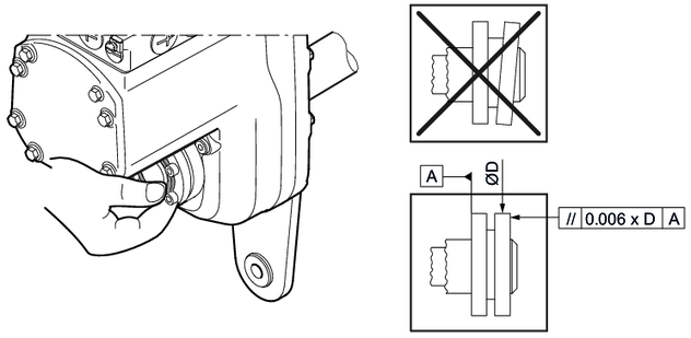
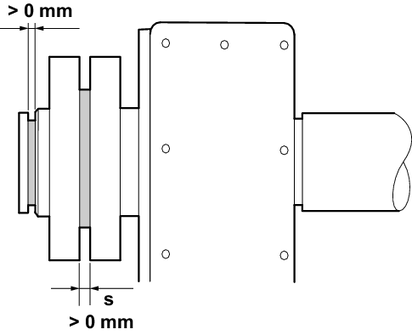
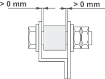
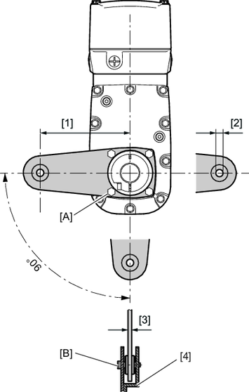
- Torque arm
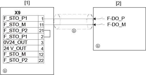
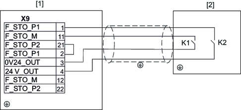
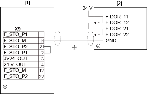
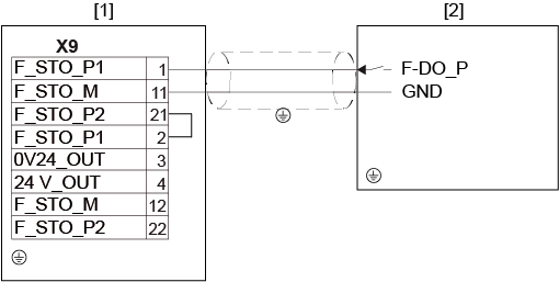
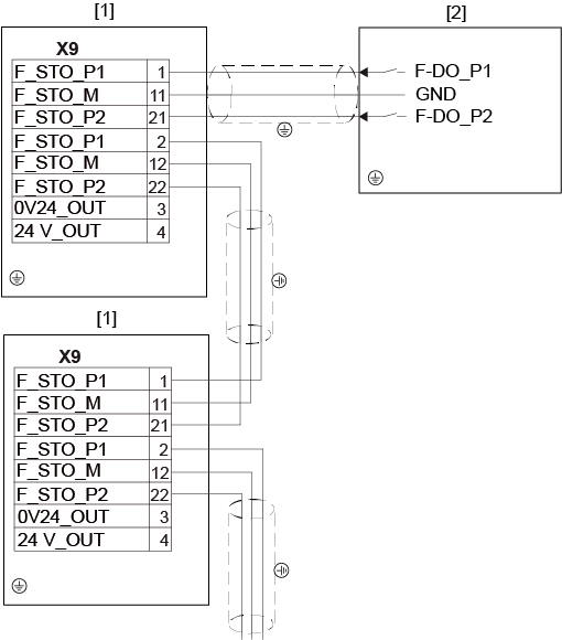
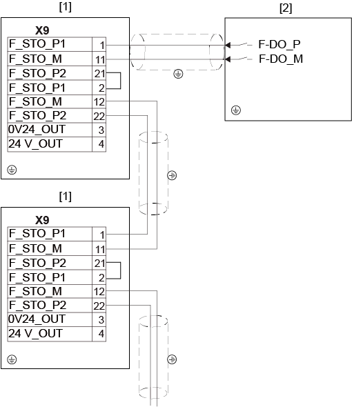
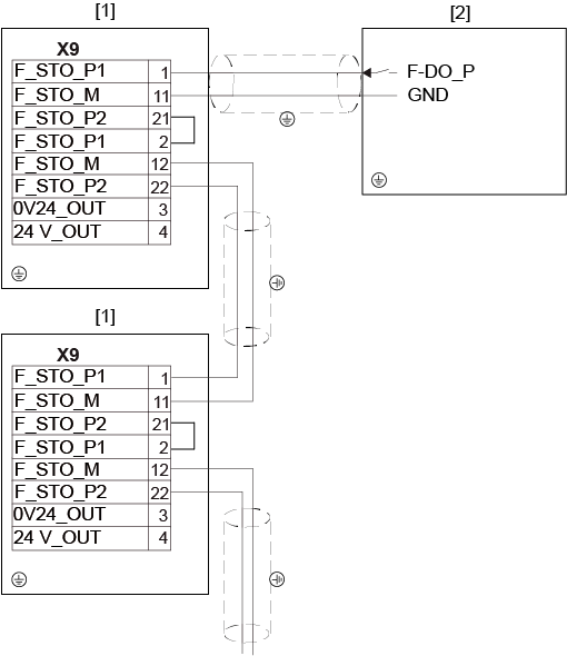
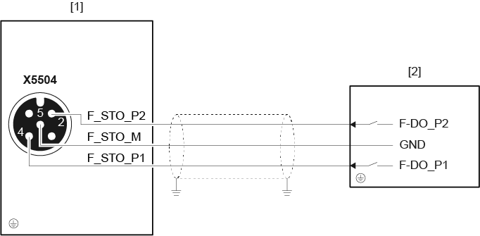
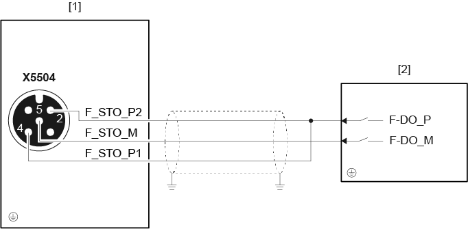
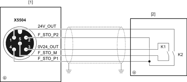
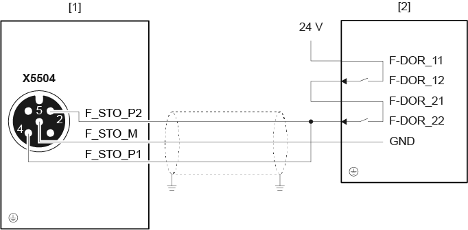
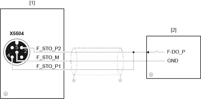
Electrical installation
Startup
Operation
Service
Inspection and maintenance
New functions

Available memory modules
Find out more...























































































































































































































































































































































































