How can we help?
Important topics
Startup
Startup procedure
Configuration
Basic settings
Operation
Operating modes
Fault management
Fault codes
New help content
Energy coupling
Find out more...
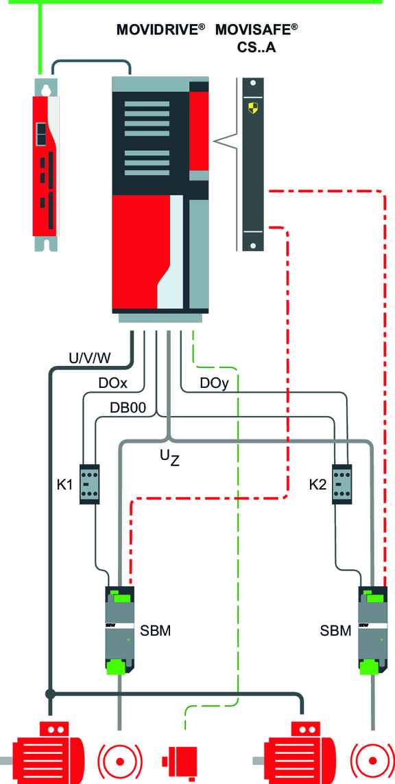
Brake test
Find out more...
Delivery state of digital outputs
Find out more...
MOVIKIT® Positioning, Velocity
Language
Deutsch
English
SEW-EURODRIVE
Home